氣動對夾(jiá)蝶閥
|
|
|
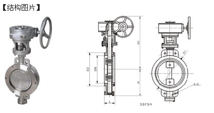
名稱:氣動對(dui)夾蝶閥
型号(hào):D373 F/H/W
口徑:DN50----DN500
壓力:1.0Mpa---6.4Mpa
溫(wēn)度:--40℃--350℃
材質:WCB、304、316、304L、316L……
設計(ji)标準:GB、API、DIN、JIS、ANSI……
【産(chan)品用途】
D373H、D373Y 型對(dui)夾式硬密封(fēng)蝶閥
采用精(jing)密的J形彈性(xìng)密封圈和三(sān)偏心多層次(ci)金屬硬密封(fēng)結構🌂,被廣泛(fàn)用于介質溫(wēn)度≤425℃的治金、電(dian)力、石油化工(gong)、以🈲及給排水(shui)🐅和市🤟政建設(she)等工業管道(dào)上,作調節流(liu)量和載斷流(liu)體🏃🏻使用。
【産品特點】
1、對(dui)夾式硬密封(fēng)蝶閥
采用三(san)偏心密封結(jie)構,閥座與蝶(dié)闆幾乎無磨(mo)損,具🥰有越觀(guan)越緊🏃♀️的密封(fēng)功能
2、密封圈(quān)選用不鏽鋼(gang)制作,具有金(jin)屬硬密封和(hé)彈性⭐密封的(de)雙重優點,無(wu)論在低溫和(hé)高溫的情況(kuang)下,均具有優(you)良的密封性(xing)💃能,具☂️有耐腐(fu)蝕,使用壽命(mìng)長等特點
3、蝶(die)闆密封面采(cai)用堆焊钴基(jī)硬質合金,密(mi)封面耐磨損(sun)👈,使用壽命長(zhǎng)
4、大規格蝶闆(pǎn)采用绗架結(jié)構,強度高,過(guo)流面積大,流(liu)阻小💃🏻
5、對夾式(shi)硬密封蝶閥(fá)
具有雙向密(mi)封功能,安裝(zhuang)時不受介質(zhi)流向的限制(zhi),也不受空🈲間(jiān)位置的影響(xiang),可在任何方(fang)向安裝
6、驅動(dong)裝置可以多(duo)工位(旋轉90°或(huo)180°)安裝,便于用(yong)戶使用📐
|